ads/auto.txt

Rangkaian Adaptor Dengan Trafo Ct

Rangkaian Adaptor Djukarna

Rangkaian Adaptor Djukarna

Skema Adaptor 5 Ampere 12 Volt Menggunakan Trafo Ct Non Ct

Skema Adaptor 5 Ampere 12 Volt Menggunakan Trafo Ct Non Ct

Elektronik Kreatif Cara Membuat Adaptor Sederhana

Elektronik Kreatif Cara Membuat Adaptor Sederhana

Cara Mudah Membuat Adaptor Sederhana Dengan Trafo Ct Youtube

Cara Mudah Membuat Adaptor Sederhana Dengan Trafo Ct Youtube

Rangkaian Power Supply Trafo Biasa Gurukatro

Rangkaian Power Supply Trafo Biasa Gurukatro

Contoh Soal Dan Contoh Pidato Lengkap Gambar Rangkaian Adaptor

Contoh Soal Dan Contoh Pidato Lengkap Gambar Rangkaian Adaptor

Contoh Soal Dan Contoh Pidato Lengkap Gambar Rangkaian Adaptor

Sobat dapat membuat adaptor sederhana hanya dengan beberapa komponen yang mudah diperoleh dipasaran.

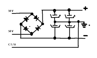
Rangkaian adaptor dengan trafo ct. Dengan menggunakan sebuah trafo 1a sobat dapat membuat rangkaian adaptor sederhana yang akan menghasilkan tegangan 12v dengan arus 1a yang dapat sobat sebagai catu daya perangkat elektronika. Dan untuk mendapakan power supply simetris diperlukan sebuah trafo ct agar arus supply dapat maksimal. Jadi jika anda tidak memiliki trafo ct anda bisa juga menggunakan trafo biasa sebagai pengganti. Berikut ini merupakan 3 diantaranya yang paling sering dipergunakan.

Rangkaian power supply 12 volt 5 ampere ini jika diukur menggunakan multistester maka tegangan yang terukur. Pada rangkaian power supply diatas menggunakan trafo yang memiliki terminal center tap atau ct. Dalam skema rangkaian adaptor atau charger diatas menggunakan trafo non ct serta menggunakan dioda kuprox sebagai penyearah tegangan ac yang dihasilkan oleh trafo. Cara merakit power supply dengan 2 dioda dan 2 elco dengan transformator ct sebesar 5a.

Selanjutnya kita akan membahas mengenai power supply 5a menggunakan trafo ct tentu saja dalam hal ini komponen yang digunakan juga tidak sama dengan pembahasan pada ulasan sebelumnya. Rangkaian adaptor 12 volt trafo ct dengan arus 5 ampere. Hubungkan masing masing rangkaian dengan memperhatikan skema adaptor diatas. Setelah itu solder dengan kuat agar tidak mudah lepas namun lebih bagus anda menggunakan pcb printed circuit board baik itu pcb matrix atau membuat layout sendiri agar lebih rapi dan enak dipandang mata.

Berikut ini merupakan 3 contoh cara membuat rangkaian power supply ct simetris yang paling banyak digunakan untuk dengan menggunakan trafo jenis center tap atau ct. Sebenarnya yang dimaksud dengan center tap adalah titik tengah dari lilitan transformator. Trafo ct mempunyai jumlah lilitan 2 kali lebih banyak dari pada trafo non ct. Trafo ct di tandai dengan tanda ct seperti pada gambar.

Gampang cara membuat adaptor power supply sederhana tp bermanfaat cara membuat adaptor 12 volt 3 ampere rangkaian adaptor 12 volt 5 ampere. Trafo ct biasa digunakan untuk membuat rangkaian power supply simetris gelombang penuh seperti yang kebanyakan dipakai untuk amplifier jaman sekarang yang menggunakan kutub positif netral dan negatif.

Cara Membuat Adaptor Dari Trafo Ct Youtube

Cara Membuat Adaptor Dari Trafo Ct Youtube

Power Supply Tunggal 12v Pakai Transistor Tip31 Bahar Electronic

Power Supply Tunggal 12v Pakai Transistor Tip31 Bahar Electronic

Rangkaian Power Supply Irmaningsih

Rangkaian Power Supply Irmaningsih

Cara Membuat Box Speaker Planar Skema Kelebihannya Rangkaian

Cara Membuat Box Speaker Planar Skema Kelebihannya Rangkaian

Cara Membuat Adaptor Sederhana Siddix

Cara Membuat Adaptor Sederhana Siddix

Contoh Soal Dan Contoh Pidato Lengkap Gambar Rangkaian Adaptor Ct

Contoh Soal Dan Contoh Pidato Lengkap Gambar Rangkaian Adaptor Ct

Switching Mode Power Supply 10a 20 50v Dc Ct Dengan Gambar

Switching Mode Power Supply 10a 20 50v Dc Ct Dengan Gambar

Cara Membuat Adaptor Trafo Non Ct A Href Https Salinsalim

Cara Membuat Adaptor Trafo Non Ct A Href Https Salinsalim

Penyearah Rectifier Gelombang Penuh Center Tap Ct

Penyearah Rectifier Gelombang Penuh Center Tap Ct

Rangkaian Power Supply Ct Dengan Output Single 12v Rangkaian

Rangkaian Power Supply Ct Dengan Output Single 12v Rangkaian

Simple Inverter Mini Joule Thief Cara Menggunakan Trafo Charger

Simple Inverter Mini Joule Thief Cara Menggunakan Trafo Charger

Contoh Skema Rangkaian Adaptor Sederhana

Contoh Skema Rangkaian Adaptor Sederhana

Simple Inverter Mini Joule Thief Cara Menggunakan Trafo Charger

Simple Inverter Mini Joule Thief Cara Menggunakan Trafo Charger

Cara Mudah Merakit Power Supply 12 Volt Pada Trafo Ct 5 Ampere

Cara Mudah Merakit Power Supply 12 Volt Pada Trafo Ct 5 Ampere

Source : pinterest.com