ads/auto.txt

Rangkaian Adaptor Variabel 5 Ampere

Variable Power Supply 0 24v 5a Ic L200

Variable Power Supply 0 24v 5a Ic L200

Cara Mengubah Power Supply Bekas Pc Menjadi Adaptor Skemaku Com

Cara Mengubah Power Supply Bekas Pc Menjadi Adaptor Skemaku Com

Skema Adaptor 5 Ampere 12 Volt Menggunakan Trafo Ct Non Ct

Skema Adaptor 5 Ampere 12 Volt Menggunakan Trafo Ct Non Ct

Power Supply 12v 35a

Power Supply 12v 35a

Tegangan Power Supply Variabel Belajar Elektronika

Tegangan Power Supply Variabel Belajar Elektronika

Power Supply 4 5 A With 3 Lm317 In Parallel Power Supply Circuits

Power Supply 4 5 A With 3 Lm317 In Parallel Power Supply Circuits

Power Supply 4 5 A With 3 Lm317 In Parallel Power Supply Circuits

Adaptor merupakan sebuah alternatif pengganti dari tegangan dc.

Rangkaian adaptor variabel 5 ampere. Rangkaian adaptor 12 volt 3 ampere bisa kita buat sendiri menggunakan trafo dan beberapa komponen seperti dioda elco transistor dan sebuah ic regulator 7812. Misalnya power amplifier lampu dc kipas dc dan lain sebagainya. Rangkaian adaptor variabel 10 a ini dibangun menggunakan regulator tegangan positif ic lm317 dan ditambah penguat arus transistor tip147. Rangkaian skema adaptor 12 volt 5 ampere daftar komponen adaptor 12 volt.

Rangkaian adaptor pada rangkaian dibawah adalah rangkaian adaptor dengan output dapat diatur variabel dan kemampuan mensupply arus maksimal 10 ampere. Prinsip kerja dc power supply adaptor arus listrik yang kita gunakan di rumah kantor dan pabrik pada umumnya adalah dibangkitkan dikirim dan didistribusikan ke tempat masing masing dalam bentuk arus bolak balik atau arus ac alternating current hal ini dikarenakan pembangkitan dan pendistribusian arus listrik melalui bentuk arus bolak balik ac merupakan cara yang paling ekonomis. Memiliki beberapa power supply dengan tegangan yang berbeda beda jelas tidak efektif dan menghabiskan banyak uang misalnya saja dibutuhkan power supply dengan tegangan 5 vdc 9 vdc atau bahkan 12 vdc. Adaptor atau power supply psu merupakan sebuah rangkaian yang berguna untuk mengubah tegangan ac yang tinggi menjadi dc yang rendah.

Dengan kemampuan arus sebesar itu kita bisa pakai untuk menyuplai rangkaian kontrol terutama yang banyak menggunakan relay 12v. Rangkaian power supply atau regulator 12v 5a ini pada dasarnya hanya menggunakan ic regulator tegangan tetap yaitu ic l78xx karena arus maksimum ic ini hanya 1 ampere saja maka digunakan transistor untuk mengalirkan arus yang lebih besar oke silakan disimak skema berikut ini. Rangkaian power supply variabel ini dapat memberikan output yang variabel dari 0 volt dc hingga 24 volt dc dengan arus maksimal 5 ampere dan menggunakan regulator tegangan ic l200. Sehingga nantinya bisa anda gunakan untuk mensupplay rangkaian elektronik.

Rangkaian power supply 12v 10 ampere ic lm7812c di sini digunakan untuk membatasi tegangan output dengan stabelyze 12v dc yang diamankan dengan fuse sekring 1a guna mengantisipasi transien arus tinggi dari output transisistor maupun beban sedangkan output dari ic lm7812c ini sebesar 800ma. Rangkaian catu daya variabel yang saya tunjukkan di artikel ini sangat mudah dirakit karena cukup sederhana dan hanya menggunakan 1 ic saja yaitu tipe lm317. Rangkaian adaptor 12v 35ampere ini saya buat sebagai salah satu referensi pembaca yang membutuhkan power supply dengan tegangan output 12 volt dengan kapasitas arus sebesar 35 ampere. Rangkaian adaptor 12v dapat dilihat pada gambar skema.

Rangkaian power supply atau adaptor variabel diperlukan untuk memberikan sumber tegangan ke perangkat yang berbeda tegangan kerjanya.

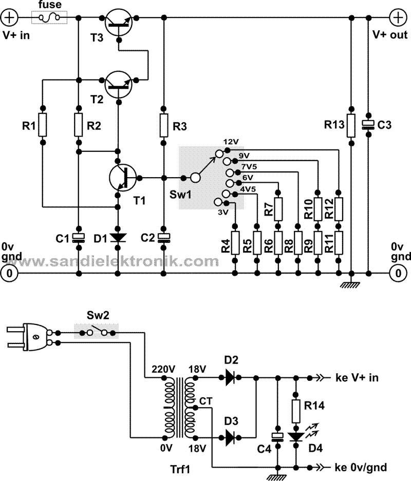
Dc Regulator 3v 12v Serbaguna Sandi Elektronik

Dc Regulator 3v 12v Serbaguna Sandi Elektronik

Rangkaian Power Supply Variabel Blog Elektronika

Rangkaian Power Supply Variabel Blog Elektronika

Elektronika Arjip S Blog Page 2

Elektronika Arjip S Blog Page 2

Rangkaian Power Supply 12 Volt 5 Ampere Sederhana Rangkaian

Rangkaian Power Supply 12 Volt 5 Ampere Sederhana Rangkaian

Contoh Soal Dan Contoh Pidato Lengkap Gambar Rangkaian Regulator

Contoh Soal Dan Contoh Pidato Lengkap Gambar Rangkaian Regulator

0 30v 0 5a Regulated Variable Power Supply Circuit Eleccircuit Com

0 30v 0 5a Regulated Variable Power Supply Circuit Eleccircuit Com

Rangkaian Power Supply Variable 4 Ampere

Rangkaian Power Supply Variable 4 Ampere

Cara Membuat Digital Power Supply Variable Serba Guna Robotic

Cara Membuat Digital Power Supply Variable Serba Guna Robotic

Switching Mode Power Supply 10a 20 50v Dc Ct Dengan Gambar

Switching Mode Power Supply 10a 20 50v Dc Ct Dengan Gambar

0 28v 6 8a Power Supply Lm317 2n3055

0 28v 6 8a Power Supply Lm317 2n3055

0 30v 0 5a Regulated Variable Power Supply Circuit Power Supply

0 30v 0 5a Regulated Variable Power Supply Circuit Power Supply

Lm338 Variable Regulator 5 Amper Elektronika Komputer

Lm338 Variable Regulator 5 Amper Elektronika Komputer

Rangkaian Lm317 Rangkaian Power Supply Tegangan Regulator Variabel

Rangkaian Lm317 Rangkaian Power Supply Tegangan Regulator Variabel

Contoh Soal Dan Contoh Pidato Lengkap Gambar Rangkaian Adaptor

Contoh Soal Dan Contoh Pidato Lengkap Gambar Rangkaian Adaptor

Source : pinterest.com