ads/auto.txt

Skema Adaptor 12v 5a

Skema Adaptor 5 Ampere 12 Volt Menggunakan Trafo Ct Non Ct

Skema Adaptor 5 Ampere 12 Volt Menggunakan Trafo Ct Non Ct

Regulator Power Suply12v 5a 15amp Youtube Rangkaian

Regulator Power Suply12v 5a 15amp Youtube Rangkaian

Rangkaian Power Supply 12 Volt 5 Ampere Sederhana Rangkaian

Rangkaian Power Supply 12 Volt 5 Ampere Sederhana Rangkaian

Kreasi Elektronika Membuat Skema Rangkaian Power Supply 12v 5a Lm7812

Kreasi Elektronika Membuat Skema Rangkaian Power Supply 12v 5a Lm7812

Bersama Kitabelajar Regulator Power Supply 12v 5a

Bersama Kitabelajar Regulator Power Supply 12v 5a

Skema Rangkaian Power Supply 12v 20a Dengan Gambar

Skema Rangkaian Power Supply 12v 20a Dengan Gambar

Skema Rangkaian Power Supply 12v 20a Dengan Gambar

Komponen adaptor 5 volt tanpa trafo.

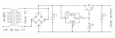
Skema adaptor 12v 5a. Diode penyearah terdiri dari 2 diode berukuran 5a. Lieferung bis morgen 19. Rangkaian power supply atau regulator 12v 5a ini pada dasarnya hanya menggunakan ic regulator tegangan tetap yaitu ic l78xx karena arus maksimum ic ini hanya 1 ampere saja maka digunakan transistor untuk mengalirkan arus yang lebih besar oke silakan disimak skema berikut ini. Rangkaian adaptor 12 volt 5a dengan penguat arus transistor 2n3055 ini dapat dibeli dalam bentuk kit atau merakit sendiri dengan pcb yang ada dipasaran.

Home skema elektronika skema adaptor 5 volt tanpa trafo. Skema adaptor 5 volt tanpa trafo. 100cm panjang kabel out dc. 115x55x30mm panjang kabel in pln.

Sisi regulator tegangan voltage berperan untuk memberikan output power. Skema rangkaian power supply 12 5a yang ditunjukan pada gambar di atas terdiri dari bagian bagian sebagaimana dibawah ini. Ledmo 12v 5a led netzteil adapter transformator ladegerät trafo für led stripes streifen lichtband band stripe warmweiß weiß smd 5050 3528 5630. Adaptor dc12v 5a case.

Kfd netzteil 12v 5a 4a 3a 2a adapter ladegerät transformator 6 stecker 5 5x2 5 4 0x1 7 4 8x1 7 6 5x4 4 6 5x3 0 5 5x3 0mm für lcd tft bildschirm monitor led streifen festplatten router pico psu bis 60w 4 9 von 5 sternen 6. Transformator dari jenis ct 5a. Pada gambar diatas kita dapat melihat skema adaptor 5 ampere menggunakan transformator non ct sebagai sumbernya dengan lilitan yang menghasilkan tegangan ac 15 volt maka selanjutnya dihubungkan dengan sebuah dioda bridge yang mendukung untuk arus 5 ampere tentu saja ukuran dioda ini lebih besar daripada kebanyakan maka kita patut meneliti apakah dioda yang. Rangkaian lengkap dan daftar komponen power supply 12v 5a.

Skema adaptor 12v 5a non ct. R1 1 m 1 mega ohm r2 10 ohm r3 100 ohm r4 150 ohm d1 4 dioda 1n4007 d5 dioda zener 5v c1 kapasitor milar mika 105k 400v c2 elco 220uf 25v l1 lampu led. Skema rangkaian power supply 12v 5a dengan penguat arus transistor dengan tipe 2n3055 bisa di buat dengan mudahnya. Gratis versand für ihre erstbestellung und versand durch amazon.

My speakers are working absolutely fine with another 12v 2a charger branded infact working fine with powerbank with stepup module rated for just 1a but this 5a adapter couldn t. Membuat rangkaian adaptor 12v membuat adaptor 12 volt ampere murah 20 5 ampere sekarang tidak perlu lagi mencari bergulat op amp transistor dan komponen lainnya untuk merealisasikan rangkaian regulator besar karena rangkaian semacam ini sudah dikemas ke ic regulator tegangan tetap. Jika anda menggunakan trafo tanpa ct anda bisa menggunakan skema diatas sedangkan di bawah ini untuk trafo ct. Complete waste of money and time.

Going to return it immediately. Andere angebote 11 15 2. Amazon business für unternehmenskunden mit kauf auf rechnung ausgewiesener umsatzsteuer u v m. Kamis 27 juli 2017.

Simple 12v 5a Power Supply Regulator Circuit Diagram Circuit

Simple 12v 5a Power Supply Regulator Circuit Diagram Circuit

Rangkaian Power Supply Ct Dengan Output Single 12v Rangkaian

Rangkaian Power Supply Ct Dengan Output Single 12v Rangkaian

Rangkaian Power Supply Irmaningsih

Rangkaian Power Supply Irmaningsih

60 Watt Switching Power Supply Power Supply Circuits

60 Watt Switching Power Supply Power Supply Circuits

Rangkaian Adaptor Djukarna

Rangkaian Adaptor Djukarna

Rangkaian Power Supply Sederhana Skemaku Com

Rangkaian Power Supply Sederhana Skemaku Com

1 2 36v 5a Adjustable Power Supply With Lm317 Tehnologie

1 2 36v 5a Adjustable Power Supply With Lm317 Tehnologie

12v 5a Led Switching Power Supply With Schematic Youtube

12v 5a Led Switching Power Supply With Schematic Youtube

Rangkaian Power Supply 12v 5a Sederhana Dan Stabil Romli Dot Net

Rangkaian Power Supply 12v 5a Sederhana Dan Stabil Romli Dot Net

Koleksi Skema Rangkaian Artikel Elektronika Adaptor 12 Volt 20 Ampere

Koleksi Skema Rangkaian Artikel Elektronika Adaptor 12 Volt 20 Ampere

Rangkaian Power Supply Trafo Biasa Gurukatro

Rangkaian Power Supply Trafo Biasa Gurukatro

Switching Mode Power Supply 10a 20 50v Dc Ct Dengan Gambar

Switching Mode Power Supply 10a 20 50v Dc Ct Dengan Gambar

0 30v 0 5a Regulated Variable Power Supply Circuit Com Imagens

0 30v 0 5a Regulated Variable Power Supply Circuit Com Imagens

How Does A Switching Power Supply Work 1 Schematic Explanation

How Does A Switching Power Supply Work 1 Schematic Explanation

Source : pinterest.com